Contact Vinidex Customer Service for availability of products on this page.
Contact Vinidex Customer Service for availability of products on this page.
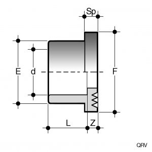
| Vinidex Code | Nominal Size (mm) | PN | d (mm) | F (mm) | L (mm) | Sp (mm) | Z (mm) | E (mm) | Approx. Weight (kg) |
| 30420 | 200 | 16 | 225 | 273 | 119 | 25 | 5.5 | 245 | 1.74 |
| 30421 | 225 | 16 | 250 | 306 | 131 | 20 | 8.5 | 270 | 2.15 |
| 30422 | 250 | 10 | 280 | 327 | 147 | 32 | 14.5 | 307 | 3.04 |
| 30423 | 300 | 10 | 315 | 377 | 165 | 32 | 16 | 346 | 4.58 |
| 30424 | 375 | 4 | 400 | 483 | 206 | 30 | 12 | 432 | 8.9 |